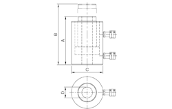
용도 : 실린더의 플런져에 센터홀이 있어 이 가운데로 로드를 집어넣어 고정하고
플런져가 전진하는 것과 동시에 로드가 작동하여 밀고 또는 당기는 작업을 할 수 있습니다.
유압기어 풀러 교량로프인장, 유압펀칭 콘크리샤 고정볼트 고정용 등 각종기계의 지그장치로 사용됩니다.
100TON 이상의 복동 실린더에는 압력 과부하시 실린더보호 및 안전을 위하여
안전밸브( SAFETY VALVE)가 기본적으로 장착되어 있습니다.
|
모델 Model |
용량 Cylinder Capacity (tons) |
행정 Stroke (mm) |
실린더 효율면적 Cylinder Effective Area(㎠) |
오일용량 Oil Capacity (cc) |
후진상태 높이 Retracted Height |
전진상태 높이 Extended Height |
실린더 외경 Cylinder Out Dia. |
구멍 크기 Center Hole Dia. |
중량 Weight (kgs) |
| A | B | C | D | ||||||
| SDCH-30150 | 30 | 150 | 44.2 | 663 | 310 | 460 | 115 | 33 | 22 |
| SDCH-50150 | 50 | 150 | 70.9 | 1063.5 | 315 | 465 | 164 | 54 | 43 |
| SDCH-100150 | 100 | 150 | 132.7 | 1990.5 | 370 | 520 | 226 | 80 | 78.5 |