Maximum Torque at 700 bar :
48180 Nm
Hexagon Range :
24~175mm / 1 1/16~6 7/8"
Maximum Operating Pressure :
700 bar
Torque Accuracy :
+/- 3%
|
Model
number |
Torque capacity
|
Hexagon AF Size
|
Weight
(kg) |
||||
|
Nm at
|
lbf.ft at | Metric | Inch | ||||
|
700 bar
|
10,000psi
|
min
|
max
|
min
|
max
|
||
|
LTW-27
|
2620
|
1900
|
24
|
46
|
1 1/16"
|
1 13/16"
|
1.4
|
|
3060
|
2225
|
50
|
60
|
2"
|
2 3/8"
|
||
|
LTW-54
|
5370
|
3900
|
36
|
65
|
1 7/16"
|
2 9/16"
|
2.3
|
|
6030
|
4380
|
70
|
80
|
2 3/4"
|
3 1/8"
|
||
|
LTW-120
|
11730
|
8520
|
50
|
80
|
2 3/16"
|
3 1/8"
|
3.8
|
|
14340
|
10415
|
85
|
100
|
3 1/2"
|
3 7/8"
|
||
|
LTW-210
|
21210
|
15400
|
70
|
100
|
2 3/4"
|
3 7/8"
|
6.4
|
|
23120
|
16790
|
105
|
115
|
4 1/4"
|
4 5/8"
|
||
|
LTW-430
|
43790
|
31795
|
80
|
115
|
3 1/8"
|
4 5/8"
|
16.5
|
|
48180
|
34980
|
130
|
175
|
5"
|
6 7/8"
|
||
|
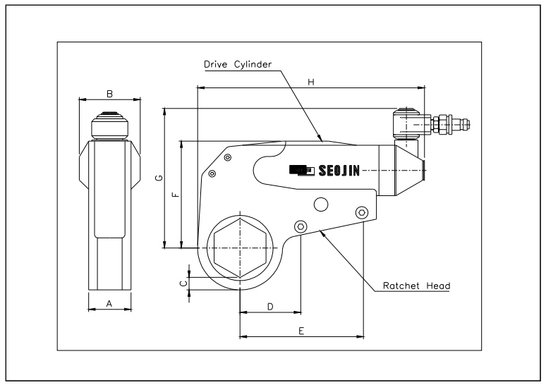
Model
number |
Dimensions (mm)
|
||||||||
|
A
|
B
|
C (min)
|
C (max)
|
D
|
E
|
F
|
G
|
H
|
|
|
LTW-27
|
32
|
51
|
9.5
|
12.2
|
54
|
109 | 97 | 125 | 195 |
|
32
|
51
|
10.1
|
10.5
|
54
|
109 | 108 | 136 | 195 | |
|
LTW-54
|
41
|
64
|
10.7
|
13.8
|
73
|
137 | 125 | 158 | 250 |
|
41
|
64
|
11.7
|
14.6
|
73
|
137 | 136 | 169 | 250 | |
|
LTW-120
|
52
|
78
|
14.7
|
15.2
|
92
|
172 | 157 | 189 | 310 |
|
52
|
78
|
15.9
|
18.7
|
92
|
172 | 182 | 214 | 310 | |
|
LTW-210
|
64
|
97
|
18.1
|
18.6
|
114
|
213 | 191 | 223 | 380 |
|
64
|
97
|
18.5
|
20.7
|
114
|
213 | 204 | 236 | 380 | |
|
LTW-430
|
83
|
93
|
26
|
31.5
|
146
|
267 | 242 | 291 | 405 |
|
83
|
93
|
25
|
27.5
|
146
|
267 | 260 | 309 | 425 | |